优势/特点
■方型外壳,厚度5.5mm
■顶端感应面
■塑料, PP
■可通过电位计调节灵敏度
■3线直流, 12~24 VDC
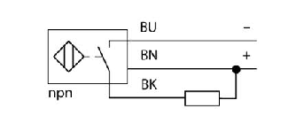
■常开npn输出
■电缆连接

功能/原理


性能指标 | |
型号 | BC10Q-0811 |
额定开关距离(齐平) | 10mm |
额定开关距离(非齐平) | 10mm |
实际测量范围 | ≤(0.72 x Sn) mm |
磁滞 | 2…20 % |
环境温度 | -25~+70℃ |
重复精度 | ≤2满量程的 % |
温度漂移特性 | 型号20% |
电气特性 | |
电压 | 12~24V DC |
余波 | <10 % Uss |
直流额定工作电流 | ≤200 mA |
空载电流 | ≤15 mA |
漏电流 | ≤0.1 mA |
开关频率 | 2kHz |
额定绝缘电压 | ≤0.5 kV |
输出性能 | 3线, 常开触点, NPN |
短路保护 | 是/ 循环 |
断路/反极性保护 | 是/ 是 |
机械特性 | |
尺寸 | 54 x 20.3 x 5.5 mm |
设计 | 方型, QF5.5 |
外壳材料 | 塑料, PP |
防震动性 | 55Hz (1mm) |
防冲击性 | 30 g (11ms) |
线缆材质 | Ø 3, LifYY-11Y, PUR, 2 m |
工作指示/距离 | |
工作电压指示 | LED指示灯 橙 |
开关状态指示 | LED指示灯 红 |
距离D | 40 mm |
距离W | 30 mm |
距离S | 30 mm |
距离G | 60 mm |